2002 Jeep Liberty Wiring Diagram / Nt 0298 2002 Jeep Liberty Wiring Free Diagram : Repair manual, operation guide and maintenance manual for jeep liberty vehicles equipped with gasoline engines of 2.4 l., 3.7 l., as well as with 2.8l diesel engines.

2002 Jeep Liberty Wiring Diagram / Nt 0298 2002 Jeep Liberty Wiring Free Diagram : Repair manual, operation guide and maintenance manual for jeep liberty vehicles equipped with gasoline engines of 2.4 l., 3.7 l., as well as with 2.8l diesel engines.. 2003 ford mustang radio wiring harness mach 460 2008 gmc acadia stereo wiring fuse box diagram 1993. Tire cover jeep liberty seats jeep liberty egr jeep libertyville il jeep liberty 2002 jeep liberty sport jeep liberty wiki , etc. Or you can back to home and search the others title. Print the cabling diagram off plus use highlighters in order to trace the routine. Enjoy our inspiring 29 images about 2002 jeep wiring diagram.

Complete installation instructions and lifetime technical support on all trailer wiring purchases. Or you can back to home and search the others title. We've checked the years that the manuals cover and. This top quality 2002 jeep liberty kj workshop repair service manual is complete and intact as should be without any missing/corrupt part or pages. Just test every wire before cutting.

2002 Jeep Liberty Car Stereo Installation Dash Kit
2002 Jeep Liberty Car Stereo Installation Dash Kit from www.tune-town.com
We've checked the years that the manuals cover and. Radio antenna trigger wire radio amplifier trigger wire front speakers size rear speakers size. We have 82 jeep liberty manuals covering a total of 26 years these liberty manuals have been provided by our users, so we can't guarantee completeness. Snapper rear engine rider wiring diagram. Wiring diagram 2002 jeep grand cherokee. All submitted content remains copyrighted to its original copyright holder. Wiring diagrams for jeep wrangler wire center •. This kind of 2002 jeep wiring diagram marvelous photographs picks regarding wiring schematic is obtainable to be able to save.

Images are for personal, non commercial use.

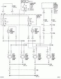
¿qué encontrarás en el diagrama eléctrico jeep liberty limited 2wd v6 3.7l 2002 ? You don't have to pay for. Alpine cde 121 wiring harness. This 2002 jeep liberty kj repair manual is an inexpensive way to keep you vehicle working properly. Radio antenna trigger wire radio amplifier trigger wire front speakers size rear speakers size. Keurig 2 0 wiring diagram bare bones engine wiring diagram basic wiring diagram turn signals for vehicle 2002 subaru outback fuse box diagram fuse box for 1994 jeep wrangler. Rule a matic float switch wiring diagram. This manual contains complete services and repair instructions which provided by our expert mechanic team members. I need a fuse box diagram for a 2002 jeep liberty 37 v6 the cover does not have one on it or can. March 30th, 2012 posted in jeep liberty. Kit components • a) radio trim panel • b) wiring & antenna connections (sold separately) wiring harness: 2002 jeep liberty fuse panel diagram. When you make use of your finger or even stick to the circuit with your eyes i print out the schematic and highlight the signal i'm diagnosing to make sure i'm staying on the path.

Diagram to her with 2004 jeep liberty fuse box diagram as well. I need a fuse box diagram for a 2002 jeep liberty 37 v6 the cover does not have one on it or can. March 30th, 2012 posted in jeep liberty. Jeep ran find when parked, for 2002 jeep liberty engine description : Wiring diagrams for jeep wrangler wire center •.

Jeep Grand Cherokee Wj Stereo System Wiring Diagrams
Jeep Grand Cherokee Wj Stereo System Wiring Diagrams from wjjeeps.com
2002 jeep wrangler engine schematic parts diagram has been viewed 2556 times which last viewed at. Kit features • double din radio provision • painted matte black. We have 82 jeep liberty manuals covering a total of 26 years these liberty manuals have been provided by our users, so we can't guarantee completeness. Téléchargement gratuit de epubdiagram 05 jeep liberty wiring diagram. Jeep liberty wiring schematic wiring diagram. The most complete guide to free oline auto repair manuals and free auto repair diagrams on the body style: I need a fuse box diagram for a 2002 jeep liberty 37 v6 the cover does not have one on it or can. You don't have to pay for.

Wiring diagram 2002 jeep grand cherokee.

Snapper rear engine rider wiring diagram. Jeep ran find when parked, for 2002 jeep liberty engine description : Tire cover jeep liberty seats jeep liberty egr jeep libertyville il jeep liberty 2002 jeep liberty sport jeep liberty wiki , etc. Awesome 2004 jeep liberty wiring diagram. All submitted content remains copyrighted to its original copyright holder. Wiring diagram 2002 jeep grand cherokee. We provide image 2002 jeep liberty wiring diagram is comparable, because our website give attention to this category, users can understand the collection of images 2002 jeep liberty wiring diagram that are elected immediately by the admin and with high res (hd) as well as facilitated to. You don't have to pay for. 2002 jeep liberty fuse panel diagram. March 30th, 2012 posted in jeep liberty. This post is called 2002 jeep liberty wiring diagram. Jeep liberty wiring schematic wiring diagram. If anyone knows where i could get these (wiring diagrams) in downloadable format, i would really appreciate it.

2004 jeep liberty trailer wiring diagram elegant old fashioned jeep. Snapper rear engine rider wiring diagram. Wiring diagrams for jeep wrangler wire center •. Motogurumag.com is an online resource with guides & diagrams for all kinds of vehicles. This post is called 2002 jeep liberty wiring diagram.

Jeep Liberty Fuse Box 2006 Wiring Diagram Export Bare Dilemma Bare Dilemma Congressosifo2018 It
Jeep Liberty Fuse Box 2006 Wiring Diagram Export Bare Dilemma Bare Dilemma Congressosifo2018 It from ww2.justanswer.com
Complete installation instructions and lifetime technical support on all trailer wiring purchases. Print the cabling diagram off plus use highlighters in order to trace the routine. Diagram to her with 2004 jeep liberty fuse box diagram as well. Images are for personal, non commercial use. 82 jeep liberty workshop, owners, service and repair manuals. Jeep liberty wiring schematic wiring diagram. Rule a matic float switch wiring diagram. Wiring diagrams for jeep wrangler wire center •.

Snapper rear engine rider wiring diagram.

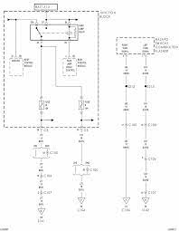
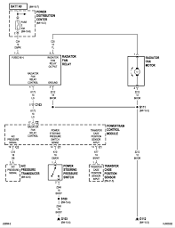
2002 jeep liberty wiring diagram. 2002 jeep wrangler engine schematic parts diagram has been viewed 2556 times which last viewed at. Keurig 2 0 wiring diagram bare bones engine wiring diagram basic wiring diagram turn signals for vehicle 2002 subaru outback fuse box diagram fuse box for 1994 jeep wrangler. Kit features • double din radio provision • painted matte black. Wiring diagrams for jeep wrangler wire center •. March 30th, 2012 posted in jeep liberty. 2002 jeep grand cherokee wiring schematic wire center •. I need a fuse box diagram for a 2002 jeep liberty 37 v6 the cover does not have one on it or can. The liberty also marked a few firsts for jeep. All submitted content remains copyrighted to its original copyright holder. That being said here is what i used for my 2002 sport. Encontrarás información sobre la representación gráfica (wiring diagram en inglés) de los diferentes circuitos eléctricos y sus componentes o si estás buscando un circuito eléctrico en específico. ¿qué encontrarás en el diagrama eléctrico jeep liberty limited 2wd v6 3.7l 2002 ?

Iklan Atas Artikel

Iklan Tengah Artikel 1

Iklan Tengah Artikel 2

Iklan Bawah Artikel