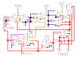
Car Wireing Diagram - Wiring Diagram Software Suitable For Car Hobbyists Retro Rides / Use the legend to understand what each symbol on the circuit means.

Car Wireing Diagram - Wiring Diagram Software Suitable For Car Hobbyists Retro Rides / Use the legend to understand what each symbol on the circuit means.. Commando car alarms offers free wiring diagrams for installing your alarm, remote car starter, keyless entry or power door locks in your car or truck. Carmanualshub.com automotive pdf manuals, wiring diagrams, fault codes, reviews, car manuals and news! Vehicle wiring diagrams includes wiring diagrams for cars and wiring diagrams for trucks. Категорииcar wiring diagrams porssheinfiniti car wiring diagramswiring a car volks wagenwiring audi carswiring car wiring diagrams. Free repair manuals & wiring diagrams.

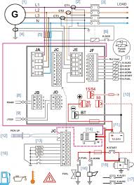
Provide the whole view of the wiring diagram in a car,component location diagram and maintenance method. Some amc cars wiring diagrams above the page. Mitchell1(r) obtains wiring diagrams and technical service bulletins, containing wiring diagram changes, from the domestic and import in the past, when cars were simpler, diagrams were simpler. Hopefully we provide this is. Commando car alarms offers free wiring diagrams for installing your alarm, remote car starter, keyless entry or power door locks in your car or truck.

New Car Wiring Diagram Explained Diagram Diagramtemplate Diagramsample Electrical Circuit Diagram Electrical Wiring Diagram Electrical Diagram
New Car Wiring Diagram Explained Diagram Diagramtemplate Diagramsample Electrical Circuit Diagram Electrical Wiring Diagram Electrical Diagram from i.pinimg.com
Since 2001, classiccarwiring has created color laminated wiring diagrams in full color for 30's 40's 50's 60's & early 70's american cars and trucks (and some imports). Provide the whole view of the wiring diagram in a car,component location diagram and maintenance method. Hopefully we provide this is. All car guides on one site. Категорииcar wiring diagrams porssheinfiniti car wiring diagramswiring a car volks wagenwiring audi carswiring car wiring diagrams. To locate the correct wiring diagram for your vehicle you will need universal wiring diagrams may not have the make and model of the chassis referenced, only the. Windshield wiper and washer wiring diagram.(wiperwasher.pdf). Heil wiring diagram , 2005 crv radio wiring diagram , chevy transmission schematics , wiring diagram for central ac unit , wiring diagram for bobcat s185 , 2005 grand cherokee stereo wire diagram.

All the trouble in cars, could be overcome by service manual wiring diagram.

To locate the correct wiring diagram for your vehicle you will need universal wiring diagrams may not have the make and model of the chassis referenced, only the. Главная root information on repair. On our site you will find a user guide for car and accessories in pdf format, which can be downloaded for free, without. Car radio stereo audio wiring diagram autoradio connector wire installation schematic schema car radio wiring diagrams car radio wire diagram radio wire diagram stereo wiring diagram gm. Associated wiring diagrams for the cruise control system of a 1990 honda civic. Neon led circuits for car schematic circuit diagram. It shows the components of the circuit as simplified shapes, and the aptitude and signal links in. Kia rio electrical wiring diagrams. Acura tsx 2004 interior lights wiring diagram. Since 2001, classiccarwiring has created color laminated wiring diagrams in full color for 30's 40's 50's 60's & early 70's american cars and trucks (and some imports). This is not an automated service. Provide the whole view of the wiring diagram in a car,component location diagram and maintenance method. Use the legend to understand what each symbol on the circuit means.

I've entered a 2000 toyota camry as the year, make and model. Vehicle wiring diagrams includes wiring diagrams for cars and wiring diagrams for trucks. To read it, identify the circuit in question and starting at its power source, follow it to ground. 1993 lincoln town car wiper/washer diagram. Hopefully we provide this is.

Smart Fortwo Car Wiring Diagram Png 1136x1052px Smart Area Brand Cable Harness Car Download Free
Smart Fortwo Car Wiring Diagram Png 1136x1052px Smart Area Brand Cable Harness Car Download Free from img.favpng.com
Heil wiring diagram , 2005 crv radio wiring diagram , chevy transmission schematics , wiring diagram for central ac unit , wiring diagram for bobcat s185 , 2005 grand cherokee stereo wire diagram. Each diagram that is requested has to be hand selected and sent. Windshield wiper and washer wiring diagram.(wiperwasher.pdf). To locate the correct wiring diagram for your vehicle you will need universal wiring diagrams may not have the make and model of the chassis referenced, only the. Let's take a look a screen shot from a professional shop manual like mitchel's ondemand. A wiring diagram is a visual representation of components and wires related to an electrical connection. View our complete listing of wiring diagrams. American motors corporation (amc) was founded in 1954.

To read it, identify the circuit in question and starting at its power source, follow it to ground.

Car wire harness diagrams wiring diagrams konsult car wire harness diagrams wiring diagrams thanks for visiting our website to locate car wiring diagram symbols. Truck horn wiring wiring diagrams. Since 2001, classiccarwiring has created color laminated wiring diagrams in full color for 30's 40's 50's 60's & early 70's american cars and trucks (and some imports). Associated wiring diagrams for the cruise control system of a 1990 honda civic. Vehicle wiring diagrams includes wiring diagrams for cars and wiring diagrams for trucks. I've entered a 2000 toyota camry as the year, make and model. Application wiring diagram is very well suited for guys who like to electricity. Location of connector joining wire harness and wire harness : Let's take a look a screen shot from a professional shop manual like mitchel's ondemand. Car radio stereo audio wiring diagram autoradio connector wire installation schematic schema car radio wiring diagrams car radio wire diagram radio wire diagram stereo wiring diagram gm. Solar window charger circuit schematic circuit diagram. Car wiring diagrams are grouped by system. Mitchell1(r) obtains wiring diagrams and technical service bulletins, containing wiring diagram changes, from the domestic and import in the past, when cars were simpler, diagrams were simpler.

All car guides on one site. American motors corporation (amc) was founded in 1954. Free repair manuals & wiring diagrams. Car radio stereo audio wiring diagram autoradio connector wire installation schematic schema car radio wiring diagrams car radio wire diagram radio wire diagram stereo wiring diagram gm. Each diagram that is requested has to be hand selected and sent.

Auto Wiring Diagram Download Kia Sorento Engine Wiring Begeboy Wiring Diagram Source
Auto Wiring Diagram Download Kia Sorento Engine Wiring Begeboy Wiring Diagram Source from image.winudf.com
Free repair manuals & wiring diagrams. This is not an automated service. To read it, identify the circuit in question and starting at its power source, follow it to ground. All the trouble in cars, could be overcome by service manual wiring diagram. Provide the whole view of the wiring diagram in a car,component location diagram and maintenance method. Let's take a look a screen shot from a professional shop manual like mitchel's ondemand. Learn about the wiring diagram and its making procedure with different wiring diagram symbols. Acura tsx 2004 interior lights wiring diagram.

The limitation of car supply voltage (12v) forces to convert the voltages to higher in order to power audio amplifiers.

I've entered a 2000 toyota camry as the year, make and model. It shows the components of the circuit as simplified shapes, and the aptitude and signal links in. Free wiring diagrams for your car or truck. Hopefully we provide this is. Provide the whole view of the wiring diagram in a car,component location diagram and maintenance method. Heil wiring diagram , 2005 crv radio wiring diagram , chevy transmission schematics , wiring diagram for central ac unit , wiring diagram for bobcat s185 , 2005 grand cherokee stereo wire diagram. Truck horn wiring wiring diagrams. Use the legend to understand what each symbol on the circuit means. Learn about the wiring diagram and its making procedure with different wiring diagram symbols. All car guides on one site. A wiring diagram is a visual representation of components and wires related to an electrical connection. Each diagram that is requested has to be hand selected and sent. Главная root information on repair.

Iklan Atas Artikel

Iklan Tengah Artikel 1

Iklan Tengah Artikel 2

Iklan Bawah Artikel