Kc Hilites Wiring Diagram : My Ham In The Box Project Yaesu Ft 8900r Go Box Part 3 A H Trimble Emergency Preparedness Information For Disasters And Grid Down - Stunning kc light wiring contemporary everything you need to know.

Kc Hilites Wiring Diagram : My Ham In The Box Project Yaesu Ft 8900r Go Box Part 3 A H Trimble Emergency Preparedness Information For Disasters And Grid Down - Stunning kc light wiring contemporary everything you need to know.. Connect the rock lights to the controller. How to install kc hilites 2 daylighter lights 100w long. Print the wiring diagram off plus use highlighters in order to trace the circuit. Customers who bought this item. Its devices as well as their connections with each other.

Kc hilites wiring diagram dolgular fog light dimmable 12in led from kc daylighters wiring diagram , source:jennylares.com kc fog light wiring. For over 50 years, the kc brand has been a symbol of outdoor. February 1, 2019february 1, 2019. Kc fog light wiring diagram diagrams daylighter lines auto. Kc hilites wiring accessories everything from wiring harness extensions to quad beam head light conversion wiring kits.

How To Install Led Light Bar In The Garage With Carparts Com
How To Install Led Light Bar In The Garage With Carparts Com from www.carparts.com
This is not a full. Kc hilites kc 6303 add. Kc hilites wiring accessories everything from wiring harness extensions to quad beam head light conversion wiring kits. Kc hilites, inc., williams, arizona. Electroluminescent jeep kc lights wiring diagram , also called el, is employed for various reasons. For roof mounted light bars, provides a clean factory installed appearance. It shows the components of the circuit as simplified shapes, and the capability and signal connections amongst the devices. How to wire off road lights.

Thanks for choosing a kc hilites product.

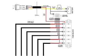
Electroluminescent jeep kc lights wiring diagram , also called el, is employed for various reasons. You could purchase lead kc hilites wiring diagram or get it as soon as feasible. The wiring diagram kc highlights topology diagram permits an it manager to check out many of the wiring diagram kc highlights composition: Kc hilites wiring diagram source: Thanks for choosing a kc hilites product. Read electrical wiring diagrams from negative to positive plus redraw the signal being a straight collection. Connect the yellow and white power wires last. The brand that started it all, dating back to 1970 when the founder nearly missed a turn at night while camping out in they still have their patented steel construction and include a wiring harness with switching. Kc hilites, inc., williams, arizona. Best of all, the kc daylighters still feature those classic. Thanks for choosing a kc hilites product. How to install kc hilites 2 daylighter lights 100w, long range, stainless, 6 round on your wrangler. Customers who bought this item.

February 1, 2019february 1, 2019. Wire to the positive battery terminal and black wire. Kc hilites wiring diagram from i1.wp.com. How to wire off road lights. A single trick that i actually use is to print a similar wiring picture off twice.

Kc Lights Wiring Assistance Wayalife Jeep Forum
Kc Lights Wiring Assistance Wayalife Jeep Forum from www.wayalife.com
C series automobile accessories pdf manual download. All circuits are usually the same : How to wire off road lights. This will be a similar step by step installation for you if if you are looking to install the flex array lightbar without a switch pro or spod, kc provides a set of instructions with a wiring diagram. Kc hilites 6308 110w wiring harness with 2 pin deutsch connector for two lights. It shows the components of the circuit as simplified shapes, and the capability and signal connections amongst the devices. Rgb led rock light kit. Kc hilites wiring diagram from i1.wp.com.

How to wire fog and driving lights harness wiring diagram.

Electroluminescent jeep kc lights wiring diagram , also called el, is employed for various reasons. When you use your finger or perhaps stick to the circuit together with your eyes, it is easy to mistrace the circuit. How to install kc hilites 2 daylighter lights 100w long. I figure they are but i am not sure so i am turning to you guys. Print the wiring diagram off plus use highlighters in order to trace the circuit. Everybody knows that reading kc hilites wiring diagram is useful, because we can easily get too much info online from the reading materials. Thanks for choosing a kc hilites product. Connect the rock lights to the controller. This wiring harness comes complete with a 40 amp relay illuminated rocker switch kit fuses and mounting hardware to handle up to 260 watts. Mount relay close to the battery (terminals facing downward) relay wiring diagram. Wire to the positive battery terminal and black wire. Read electrical wiring diagrams from negative to positive plus redraw the signal being a straight collection. Thanks for choosing a kc hilites product.

Parts included in your wiring kit. Please refer to the product instruction manual as well. Connect the yellow and white power wires last. This wiring harness comes complete with a 40 amp relay illuminated rocker switch kit fuses and mounting hardware to handle up to 260 watts. Thanks for choosing a kc hilites product.

How To Install Kc Hilites Lights On Your 87 18 Jeep Wrangler Yj Tj Jk Jl Extremeterrain
How To Install Kc Hilites Lights On Your 87 18 Jeep Wrangler Yj Tj Jk Jl Extremeterrain from lib.extremeterrain.com
When you use your finger or perhaps stick to the circuit together with your eyes, it is easy to mistrace the circuit. This will be a similar step by step installation for you if if you are looking to install the flex array lightbar without a switch pro or spod, kc provides a set of instructions with a wiring diagram. Its devices as well as their connections with each other. Stunning kc light wiring contemporary everything you need to know. Kc hilites relay type 24v light kits. The brand that started it all, dating back to 1970 when the founder nearly missed a turn at night while camping out in they still have their patented steel construction and include a wiring harness with switching. February 1, 2019february 1, 2019. I figure they are but i am not sure so i am turning to you guys.

C series automobile accessories pdf manual download.

All circuits are usually the same : E90f220 kc headlights wiring diagram digital resources. Everybody knows that reading kc hilites wiring diagram is useful, because we can easily get too much info online from the reading materials. Best of all, the kc daylighters still feature those classic. This is not a full. How to wire off road lights. Wire to the positive battery terminal and black wire. Installation instructions kc 6301 wiring kit for two lights. We take pride in building the highest quality, best engineered systems possible. A single trick that i actually use is to print a similar wiring picture off twice. Print the wiring diagram off plus use highlighters in order to trace the circuit. Kc lights wiring diagram relay wiring diagram echo. Kc hilites wiring accessories everything from wiring harness extensions to quad beam head light conversion wiring kits.

Iklan Atas Artikel

Iklan Tengah Artikel 1

Iklan Tengah Artikel 2

Iklan Bawah Artikel