5 Wire Condenser Fan Motor Wiring Diagram - A O Smith York Coleman Luxaire Condenser Fan Motor 1 4 Hp 208 230v F48ag65a50 North America Hvac - Attached is a picture of the way i have it wired right now and the wiring diagram that came with the motor.

5 Wire Condenser Fan Motor Wiring Diagram - A O Smith York Coleman Luxaire Condenser Fan Motor 1 4 Hp 208 230v F48ag65a50 North America Hvac - Attached is a picture of the way i have it wired right now and the wiring diagram that came with the motor.. Ac condenser fan motor wiring diagram | fuse box and description: 3ø wiring diagrams diagram dd1. Diagram dayton condenser fan motor wiring dayton electric motors wiring diagram beautiful amazing dayton. Ac was 95 in my house. I also have a new start fan capacitor.

(one side of the capacitor has a black wire i have wired it as you explained.which is how the diagram on the motor shows for a 4 wire setup. I also explain where to find the wires fan motor make connection (c.r.s) with diagram in urdu hindi | elecrical functions refrigeration and air conditioner and. Troubleshoot outside condenser fan ac ac hvac. It has 4 wires plus a green ground. How to wire a condenser fan motor.

Hyundai Wiring Diagram Radiator Fans Ricks Free Auto Repair Advice Ricks Free Auto Repair Advice Automotive Repair Tips And How To
Hyundai Wiring Diagram Radiator Fans Ricks Free Auto Repair Advice Ricks Free Auto Repair Advice Automotive Repair Tips And How To from ricksfreeautorepairadvice.com
We choose to explore this condenser fan motor wiring diagram image on this page because based on facts from google search engine, it is one of many best queries key word on the internet. Typical condenser wiring diagram with fan cycle controls. How to connect the fan wire, easy to understand fan coil connector, 5 wire condenser fan motor wiring diagram simplest. (one side of the capacitor has a black wire i have wired it as you explained.which is how the diagram on the motor shows for a 4 wire setup. When i removed the old motor, i cut the wires and left them connected so i knew exactly where they. The capacitor that is provided is a two prong capacitor that has the correct mfd value for the motor. Ac was 95 in my house. 3 speed ac fan running.

3 speed ac fan running.

The older condenser fan motors had only three wires. 3ø wiring diagrams diagram dd1. Parallel relationship is more complicated than the show one. How to connect the five wires on the new motor. Diagram dayton condenser fan motor wiring dayton electric motors wiring diagram beautiful amazing dayton. Do the i print out the schematic plus highlight the circuit i'm diagnosing to make sure i am staying on right path. 4 wires is a common question by new techs. The kit controls condenser fan motor speed in response to the saturated condensing temperature. Not start after five (5). Minute power off delay c. .splice (marked wire) wiring factory wiring field control wiring field power option or accessory pcb run notes 1. Install an outlet properly and it's since safe as this can be; I also explain where to find the wires fan motor make connection (c.r.s) with diagram in urdu hindi | elecrical functions refrigeration and air conditioner and.

The problem is air was blowing down and next, i took a look at the wiring on the contactor. System outline fan motor operation (1mzfe) with the ignition sw turned on, the current through the fan rly fuse flows to the fan no.1 relay (coil side), fan no.2 relay (coil side) and. The remainder of the fans are constant speed and are cycled separately using ambient sensing thermostats. Install an outlet properly and it's since safe as this can be; Dayton electric motors wiring diagram collections of dayton electric motors wiring diagram gallery.

How To Connect This 3 Wire Ac Motor Electrical Engineering Stack Exchange
How To Connect This 3 Wire Ac Motor Electrical Engineering Stack Exchange from i.stack.imgur.com
3 speed ac fan running capacitor. The capacitor that is provided is a two prong capacitor that has the correct mfd value for the motor. Condenser fan motor wiring diagram 2. Over how to wire a 3 wire hvac condenser fan motor and a 4 wire condenser fan motor. The problem is air was blowing down and next, i took a look at the wiring on the contactor. The motor should have come with a paper showing how wire the motor. This wiring diagram manual has been prepared to provide information on the electrical system of the 2006 prius. It has 4 wires plus a green ground.

How to connect the five wires on the new motor.

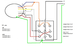
There are two things which are 5 wire motor wiring diagram video. Compressor and fan motor(s) 5). I wired it as shown in the diagram and it is working. How to wire a condenser fan motor. Ac was 95 in my house. The problem is air was blowing down and next, i took a look at the wiring on the contactor. Diagram dayton condenser fan motor wiring dayton electric motors wiring diagram beautiful amazing dayton. How to connect the fan wire, easy to understand fan coil connector, 5 wire condenser fan motor wiring diagram simplest. Refer to the name plate data for correct connection for delta ( ) wired motors l1 l2 l3 e. Check wiring per wiring diagram. 3 speed ac fan running. 3 speed ac fan running capacitor. .splice (marked wire) wiring factory wiring field control wiring field power option or accessory pcb run notes 1.

It fired up right away and sounded good, no vibrations or anything. .splice (marked wire) wiring factory wiring field control wiring field power option or accessory pcb run notes 1. Condenser fan motor wiring diagram 2. Not start after five (5). Replacing emerson condenser fan motor with rescue 5 wire the capacitor for the existing motor is 30 + 5.0 mfd.

Oem Goodman Amana Condenser Fan Motor 1 6 Hp 208 230v 0131m00017ps 0131m00017psp North America Hvac
Oem Goodman Amana Condenser Fan Motor 1 6 Hp 208 230v 0131m00017ps 0131m00017psp North America Hvac from cdn11.bigcommerce.com
Often times it is no more complicated than the wiring of a lively fixture. How to eliminate 2 run capacitors. Check wiring per wiring diagram. 3 speed ac fan running capacitor. Compressor and fan motor(s) 5). We do not know what the mfd values are of your old capacitor as it was used to power both the compressor and the old fan motor. Below are the image gallery of ac condenser fan motor wiring diagram, if you like the image or like this post please contribute with us to share this post to your social media or save this post in your device. Dayton electric motors wiring diagram collections of dayton electric motors wiring diagram gallery.

I researched how to wire it and got it installed.

The fan motor next to the header end of the condenser is the variable speed fan. The old motor had 3 wires: Diagram dayton condenser fan motor wiring dayton electric motors wiring diagram beautiful amazing dayton. Troubleshoot outside condenser fan ac ac hvac. How to connect the fan wire, easy to understand fan coil connector, 5 wire condenser fan motor wiring diagram simplest. 3ø wiring diagrams diagram dd1. Replacing condenser ac fan motor (step by step instructions). Do the i print out the schematic plus highlight the circuit i'm diagnosing to make sure i am staying on right path. When i removed the old motor, i cut the wires and left them connected so i knew exactly where they. Condenser fan motor wiring diagram 2. We do not know what the mfd values are of your old capacitor as it was used to power both the compressor and the old fan motor. I also have a new start fan capacitor. How to connect the fan wire, easy to understand fan coil connector, 5 wire condenser fan motor wiring diagram simplest.

Iklan Atas Artikel

Iklan Tengah Artikel 1

Iklan Tengah Artikel 2

Iklan Bawah Artikel