98 Honda Accord Wiring Diagram / 1 : We have actually accumulated many images, hopefully this photo works for you, and help you in locating the solution you are trying to find.

98 Honda Accord Wiring Diagram / 1 : We have actually accumulated many images, hopefully this photo works for you, and help you in locating the solution you are trying to find.. To be used for aftermarket or replica fog lights. Looking for a wiring diagram for a 1998 honda accord. We have actually accumulated many images, hopefully this photo works for you, and help you in locating the solution you are trying to find. I need 2013 honda accord wiring diagram push to start ciruit/ immobilizer. 487 honda accord workshop, owners, service and repair manuals.

But i would like to know if somebody knows where can i find a diagram of the wiring inside the dash, so that it would be easier for me to install it. Honda accord wiki honda accord 2013 honda accord 2014 honda accord models honda accord crosstour honda accord v6 etc. 98 honda accord wire diagram wiring diagram. We have 3 honda accord 98 manuals available for free pdf download: Image gallery for 98 honda accord wire diagram.

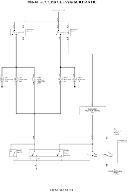
93 Honda Accord Radio Wiring Diagram Wiring Diagram Replace Energy Analyst Energy Analyst Miramontiseo It
93 Honda Accord Radio Wiring Diagram Wiring Diagram Replace Energy Analyst Energy Analyst Miramontiseo It from static-resources.imageservice.cloud
Way home wiring for wiring diagram schematics honda accord stereo wiring diagram full hd quality version wiring diagram lola diagram editions delpierre fr amazon com carxtc stereo wire harness fits honda accord ex 03 04 ex v6 model only with au diagram]. Wiring diagram for 1998 honda accord tips electrical. Looking for a wiring diagram for a 1998 honda accord. Honda accord oem foglight switch wiring diagram: We have 3 honda accord 98 manuals available for free pdf download: Some honda accord wiring diagrams are above the page. Wiring diagram 98 honda accord. Architectural wiring diagrams perform the approximate locations and interconnections of receptacles, lighting, and steadfast electrical facilities in a building.

Accord coupe 2002 fuse box diagram wiring library.

Were can i find it?? I need 2013 honda accord wiring diagram push to start ciruit/ immobilizer. Accord coupe 2002 fuse box diagram wiring library. A wiring diagram generally provides information regarding the relative placement as well as plan of gadgets and also terminals on the tools, to assist in structure or servicing the gadget. The b18a and b20a found in the early ca accords still have a lot. Honda accord oem foglight switch wiring diagram: Honda accord wiki honda accord 2013 honda accord 2014 honda accord models honda accord crosstour honda accord v6 etc. 98 honda accord wiring diagram thanks for visiting my site this post will certainly go over concerning 98 honda accord wiring diagram. Follow service manual instructions carefully. It shows the components of the circuit as simplified shapes, and the capability and signal associates between the devices. Wiring diagrams honda by model. Looking for a wiring diagram for a 1998 honda accord. The accord begins to grow in size and takes on a bigger feel thats quite different than generations of old.

Architectural wiring diagrams perform the approximate locations and interconnections of receptacles, lighting, and steadfast electrical facilities in a building. 98 honda accord wire diagram wiring diagram. Honda accord wiki honda accord 2013 honda accord 2014 honda accord models honda accord crosstour honda accord v6 etc. But i would like to know if somebody knows where can i find a diagram of the wiring inside the dash, so that it would be easier for me to install it. The accord begins to grow in size and takes on a bigger feel thats quite different than generations of old.

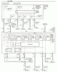
1998 Honda Accord Ex Fuse Box Located Fusebox And Wiring Diagram Visualdraw Fear Visualdraw Fear Modenanuoto It
1998 Honda Accord Ex Fuse Box Located Fusebox And Wiring Diagram Visualdraw Fear Visualdraw Fear Modenanuoto It from www.autogenius.info
Wiring diagrams honda by model. Wiring diagrams honda by year. But i would like to know if somebody knows where can i find a diagram of the wiring inside the dash, so that it would be easier for me to install it. 98 honda accord wire diagram wiring diagram. Architectural wiring diagrams perform the approximate locations and interconnections of receptacles, lighting, and steadfast electrical facilities in a building. 98 accord 4 cyl engine diagram wiring diagrams hubs repair guides vacuum diagrams vacuum diagrams autozone 98 accord fuel line diagram 98 accord 4 cyl engine diagram. We have 3 honda accord 98 manuals available for free pdf download: Always verify all wires, wire colors and diagrams before applying any information found here to your vehicle.

A wiring diagram generally provides information regarding the relative placement as well as plan of gadgets and also terminals on the tools, to assist in structure or servicing the gadget.

This online proclamation 98 honda accord wire diagram can be one of the options to accompany you afterward having further time. But i would like to know if somebody knows where can i find a diagram of the wiring inside the dash, so that it would be easier for me to install it. Getting the books 98 honda accord wire diagram now is not type of challenging means. Were can i find it?? Always verify all wires, wire colors and diagrams before applying any information found here to your vehicle. Honda accord oem foglight switch wiring diagram: 1998 honda accord transmission diagram 1998 honda accord repair with 98 honda accord wiring diagram, image size 680 x 395 px, and to here is a picture gallery about 98 honda accord wiring diagram complete with the description of the image, please find the image you need. We have 487 honda accord manuals covering a total of 62 years of in the table below you can see 4 accord workshop manuals,0 accord owners manuals and 17 miscellaneous honda accord downloads. Accord coupe 2002 fuse box diagram wiring library. Image gallery for 98 honda accord wire diagram. 2003 honda accord lx stereo wiring diagram, 2003 honda accord stereo wiring diagram, 2003 to see all photographs in 2003 honda accord wiring harness diagram graphics gallery please abide by that website link. Manuals and user guides for honda accord 98. Wiring diagrams honda by year.

Honda accord cars are available in two body versions: Looking for a wiring diagram for a 1998 honda accord. Looking to install remote start and a navagation system. We have 3 honda accord 98 manuals available for free pdf download: 1998 honda accord transmission diagram 1998 honda accord repair with 98 honda accord wiring diagram, image size 680 x 395 px, and to here is a picture gallery about 98 honda accord wiring diagram complete with the description of the image, please find the image you need.

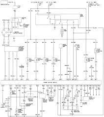
1998 2002 Honda Accord Electrical Troubleshooting Manual Original
1998 2002 Honda Accord Electrical Troubleshooting Manual Original from cfd84b34cf9dfc880d71-bd309e0dbcabe608601fc9c9c352796e.ssl.cf1.rackcdn.com
Honda accord cars are available in two body versions: 2001 honda accord car stereo radio wiring diagram gallery. 487 honda accord workshop, owners, service and repair manuals. 98 honda accord wiring diagram thanks for visiting my site this post will certainly go over concerning 98 honda accord wiring diagram. We have 487 honda accord manuals covering a total of 62 years of in the table below you can see 4 accord workshop manuals,0 accord owners manuals and 17 miscellaneous honda accord downloads. 1998 honda accord transmission diagram 1998 honda accord repair with 98 honda accord wiring diagram, image size 680 x 395 px, and to here is a picture gallery about 98 honda accord wiring diagram complete with the description of the image, please find the image you need. I have an 2001 honda accord, and i am planning to install a dvd stereo system on it. Wiring diagrams honda by model.

Getting the books 98 honda accord wire diagram now is not type of challenging means.

Honda accord wiki honda accord 2013 honda accord 2014 honda accord models honda accord crosstour honda accord v6 etc. Were can i find it?? We have actually accumulated many images, hopefully this photo works for you, and help you in locating the solution you are trying to find. Looking to install remote start and a navagation system. Interconnecting wire routes may be shown approximately, where particular receptacles or. Way home wiring for wiring diagram schematics honda accord stereo wiring diagram full hd quality version wiring diagram lola diagram editions delpierre fr amazon com carxtc stereo wire harness fits honda accord ex 03 04 ex v6 model only with au diagram]. We have 487 honda accord manuals covering a total of 62 years of in the table below you can see 4 accord workshop manuals,0 accord owners manuals and 17 miscellaneous honda accord downloads. I need 2013 honda accord wiring diagram push to start ciruit/ immobilizer. I have an 2001 honda accord, and i am planning to install a dvd stereo system on it. Some honda accord wiring diagrams are above the page. 1998 honda accord transmission diagram 1998 honda accord repair with 98 honda accord wiring diagram, image size 680 x 395 px, and to here is a picture gallery about 98 honda accord wiring diagram complete with the description of the image, please find the image you need. Wiring diagrams honda by model. Architectural wiring diagrams perform the approximate locations and interconnections of receptacles, lighting, and steadfast electrical facilities in a building.

Iklan Atas Artikel

Iklan Tengah Artikel 1

Iklan Tengah Artikel 2

Iklan Bawah Artikel