Trailblazer Vortec 4200 Engine Diagram : 2004 Pcm Wiring Diagram Pinout Chevy Trailblazer Trailblazer Ss And Gmc Envoy Forum : It was the first atlas engine, and was designed for gm's new suv line.

Trailblazer Vortec 4200 Engine Diagram : 2004 Pcm Wiring Diagram Pinout Chevy Trailblazer Trailblazer Ss And Gmc Envoy Forum : It was the first atlas engine, and was designed for gm's new suv line.. File 2006 ll8 vortec 4200 engine in 2006 chevrolet trailblazer. We know just how gm does it. To increase idle you will have to reprogram the pcm using an obd 2 software. The bearing beam sat sandwiched between the main caps and main cap bolts. Vortec 4200 (4.2 vortec) engine specs.

This code is cause by either low coolant level. Vortec is a trademarked name for a line of piston engines for general motors trucks. It's marked with the vortec 4200 symbol on the top of it and is made of black abs plastic. File 2006 ll8 vortec 4200 engine in 2006 chevrolet trailblazer. The air intake resonator box on a 2004 chevy trailblazer is located in the middle of the engine;

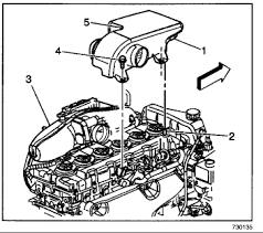
How Do I Remove The Plastic Cover Over The Intake Manifold On A 2002 Chevy Trailblazer 4 2l
How Do I Remove The Plastic Cover Over The Intake Manifold On A 2002 Chevy Trailblazer 4 2l from ww2.justanswer.com
We put together the easiest quote form to use on the internet. Vortec 4200 (4.2 vortec) engine specs. According to www.ve85.com, the vortec 4200 inline 6 cyl engine is not designed for this directly. To increase idle you will have to reprogram the pcm using an obd 2 software. We follow the vortec 4200 engine diagram during each build. Well i don't have a trailblazer but i do have. View sensor locations for the 4200 vortec inline 6 cylinder engine used in chevy trailblazer, gmc envoy and oldsmobile bravada. I have no clue how the ecu calculates % load or what pids i need to build a vcm.

File 2006 ll8 vortec 4200 engine in 2006 chevrolet trailblazer.

For 1998 the engine was revised for emissions regulations and became known as the 2200. Chevy trailblazer engine diagram 2007 chevy tahoe serpentine. View sensor locations for the 4200 vortec inline 6 cylinder engine used in chevy trailblazer, gmc envoy and oldsmobile bravada. Gm produced this engine in 2002. It's worth remembering that the later the model year, the bigger the power, with the. The bearing beam sat sandwiched between the main caps and main cap bolts. It was the first atlas engine, and was designed for gm's new suv line. Well i don't have a trailblazer but i do have. My '41 plymouth needs a gm vortec 4200 engine with a manual transmission, a combo not found in nature. We follow the vortec 4200 engine diagram during each build. Gm 42l 4200 inline 6 cylinder engine. We put together the easiest quote form to use on the internet. The name first appeared in 1986 on a 4.3 l v6 but is now used on a wide range of different engines.

I have no clue how the ecu calculates % load or what pids i need to build a vcm. We put together the easiest quote form to use on the internet. Atlas is a name for a family of modern inline piston engines for trucks from general motors, used in the gmt 355 and gmt360 platforms. Chevy trailblazer engine diagram 2007 chevy tahoe serpentine. Modern vortec engines are named for their approximate displacement in cubic centimeters.

Cp0653 2002 Chevy Trailblazer 4 2l Engine Youtube
Cp0653 2002 Chevy Trailblazer 4 2l Engine Youtube from i.ytimg.com
Your vortec 4200 uses an electronic throttle control (etc). File 2006 ll8 vortec 4200 engine in 2006 chevrolet trailblazer. We follow the vortec 4200 engine diagram during each build. We know just how gm does it. This engine produced good numbers relative to the other six cylinder suvs in its class. View sensor locations for the 4200 vortec inline 6 cylinder engine used in chevy trailblazer, gmc envoy and oldsmobile bravada. It is mostly used in the chevy trailblazer although some oldsmobile models used it. Introduced in 2002 for the chevrolet trailblazer, gmc envoy, and oldsmobile bravada, the engine is also in use in the buick.

We follow the vortec 4200 engine diagram during each build.

This engine produced good numbers relative to the other six cylinder suvs in its class. Vortec 4200 chevy trailblazer, trailblazer ss and gmc envoy forum these pictures of this page are about:chevy 4200 engine. #beltrouting #beltdiagram #4200 4.2l straight six found in gmc envoy and chevrolet trailblazer how to change remove replace install serpentine belt and belt. A bearing beam, or ladder, connected the seven main bearing caps longitudinally, further stiffening the block. View sensor locations for the 4200 vortec inline 6 cylinder engine used in chevy trailblazer, gmc envoy and oldsmobile bravada. The 4200 enigne has a lot of potential for engine swaps and some folks like myself are starting to do them. We put together the easiest quote form to use on the internet. It was the first atlas engine, and was designed for gm's new suv line. It is mostly used in the chevy trailblazer although some oldsmobile models used it. You may be a professional that wants to seek recommendations or solve existing issues. From 2005 through 2009 chevy produced a mid sized suv known as the trailblazer. It's marked with the vortec 4200 symbol on the top of it and is made of black abs plastic. Vortec 4200 (4.2 vortec) engine specs.

We know just how gm does it. It was the first atlas engine, and was designed for gm's new suv line. We follow the vortec 4200 engine diagram during each build. My '41 plymouth needs a gm vortec 4200 engine with a manual transmission, a combo not found in nature. According to www.ve85.com, the vortec 4200 inline 6 cyl engine is not designed for this directly.

Replacing Crankshaft Front Seal Solved Gmtnation
Replacing Crankshaft Front Seal Solved Gmtnation from gmtnation.com
It is mostly used in the chevy trailblazer although some oldsmobile models used it. Link below to download a copy the paper describes some of the features and advanced engineering and processes that have gone into the development of this. 0b2e75 v6 vortec engine diagram wiring resources. My '41 plymouth needs a gm vortec 4200 engine with a manual transmission, a combo not found in nature. It's worth remembering that the later the model year, the bigger the power, with the. It's marked with the vortec 4200 symbol on the top of it and is made of black abs plastic. Vortec is a trademarked name for a line of piston engines for general motors trucks. A bearing beam, or ladder, connected the seven main bearing caps longitudinally, further stiffening the block.

#beltrouting #beltdiagram #4200 4.2l straight six found in gmc envoy and chevrolet trailblazer how to change remove replace install serpentine belt and belt.

Well i don't have a trailblazer but i do have. The vortec 4200 certainly set the trend in the atlas range! For the 2002 chevrolet trailblazer 4wd wiring diagram guide about. A bearing beam, or ladder, connected the seven main bearing caps longitudinally, further stiffening the block. It is mostly used in the chevy trailblazer although some oldsmobile models used it. Introduced in 2002 for the chevrolet trailblazer, gmc envoy, and oldsmobile bravada, the engine is also in use in the buick. 0b2e75 v6 vortec engine diagram wiring resources. It was the first atlas engine, and was designed for gm's new suv line. Modern vortec engines are named for their approximate displacement in cubic centimeters. Vortec 4200 is the secret code name for the 4.2l v6 engine. The 4200 enigne has a lot of potential for engine swaps and some folks like myself are starting to do them. Although the vortec 4200 is most commonly found in the chevy trailblazer, you'll also find them in the following cars. File 2006 ll8 vortec 4200 engine in 2006 chevrolet trailblazer.

Iklan Atas Artikel

Iklan Tengah Artikel 1

Iklan Tengah Artikel 2

Iklan Bawah Artikel