Ktm Duke 200 Wiring Diagram - Wiring Diagram Ktm Duke 200 - Wiring Diagram Schemas / I'm wondering if there is a censor error in the cut off of the fuel pump.

Ktm Duke 200 Wiring Diagram - Wiring Diagram Ktm Duke 200 - Wiring Diagram Schemas / I'm wondering if there is a censor error in the cut off of the fuel pump.. User manuals, guides and specifications for your ktm 200 duke eu motorcycle. I have ktm duke 125 2013 eu cannot find wiring diagram pls help i have ktm duke 125 2013 eu cannot find wiring diagram pls help. Checking the rear hub rubber dampers. Adobe acrobat document 1.5 mb. I'm wondering if there is a censor error in the cut off of the fuel pump.

This manual comes under the category motorcycles and has been rated by 1 people with an average this manual is available in the following languages: Wiring diagram 2a install g the altemator 25.1 page lof8 2a irstaling he water pump 252 pate 2018 2 duke) ; Checking the rear hub rubber dampers. View the manual for the ktm 200 duke (2013) here, for free. See more of ktm duke 200 on facebook.

KTM fiche finder WIRING HARNESS DUKE 97 spare parts for the KTM 620 DUKE-E (USA)
KTM fiche finder WIRING HARNESS DUKE 97 spare parts for the KTM 620 DUKE-E (USA) from www.trevorpopemotorcycles.co.uk
See more of ktm duke 200 on facebook. Wiring diagram 2a install g the altemator 25.1 page lof8 2a irstaling he water pump 252 pate 2018 2 duke) ; The ktm spares are subjected to the stringent quality control standards to ensure longer life of the in a continual effort to improve performance and efficiency of the vehicles, specifications, diagrams, illustrations and part numbers can change without notice. I'm wondering if there is a censor error in the cut off of the fuel pump. I have ktm duke 125 2013 eu cannot find wiring diagram pls help i have ktm duke 125 2013 eu cannot find wiring diagram pls help. Hi i have a 2013 ktm duke 125 the stator winding broke not sure why after having it rewired i fitted unit onto bike when i tried to start it just has a winning sound. Do you have a question about the ktm 200 duke (2013) or do you need help? Ktm 200 duke eu pdf user manuals.

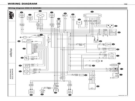
Wiring diagram 2a install g the altemator 25.1 page lof8 2a irstaling he water pump 252 pate 2018 2 duke) ;

Ktm 200 duke eu pdf user manuals. View the manual for the ktm 200 duke (2013) here, for free. This manual comes under the category motorcycles and has been rated by 1 people with an average this manual is available in the following languages: The new ktm 200 duke is hitting north america as a late 2020 model, with a 199cc single engine, standard abs, crisp duke styling—and a nice price. User manuals, guides and specifications for your ktm 200 duke eu motorcycle. Pour autant, elle se justifie assez peu en france, surtout depuis l'arrivée de la 390. 2011 ktm super duke owner's manual.pdf. The ktm spares are subjected to the stringent quality control standards to ensure longer life of the in a continual effort to improve performance and efficiency of the vehicles, specifications, diagrams, illustrations and part numbers can change without notice. Adobe acrobat document 1.5 mb. Download and view your free pdf file of the ktm 125 duke, 200 duke 2012 owner manual on our comprehensive online database of motocycle owners manuals. Do you have a question about the ktm 200 duke (2013) or do you need help? I'm wondering if there is a censor error in the cut off of the fuel pump. Wiring diagram 2a install g the altemator 25.1 page lof8 2a irstaling he water pump 252 pate 2018 2 duke) ;

Checking the rear hub rubber dampers. Spare parts and accessories for ktm 200 duke duke200. Manuals and user guides for ktm 200 duke eu. 1290 super duke gt 2021. 2011 ktm super duke owner's manual.pdf.

Yamaha R15 | Wiring Diagram Database
Yamaha R15 | Wiring Diagram Database from i1.wp.com
Are you planning to maintain and service your own ktm 200 duke (duke200)? Manuals and user guides for ktm 200 duke eu. Pour autant, elle se justifie assez peu en france, surtout depuis l'arrivée de la 390. Download and view your free pdf file of the ktm 125 duke, 200 duke 2012 owner manual on our comprehensive online database of motocycle owners manuals. If so, louis will provide you with all the information you need. This manual comes under the category motorcycles and has been rated by 1 people with an average this manual is available in the following languages: View online or download 6 manuals for ktm 200 duke eu. User manuals, guides and specifications for your ktm 200 duke eu motorcycle.

Contact ktm duke 200 on messenger.

The new ktm 200 duke is hitting north america as a late 2020 model, with a 199cc single engine, standard abs, crisp duke styling—and a nice price. Need the wiring diagram for a lance havana classic 200i 2018 scooter due to the continuous running of my fuel pump. Wiring diagram 2a install g the altemator 25.1 page lof8 2a irstaling he water pump 252 pate 2018 2 duke) ; Spare parts and accessories for ktm 200 duke duke200. Are you planning to maintain and service your own ktm 200 duke (duke200)? The ktm spares are subjected to the stringent quality control standards to ensure longer life of the in a continual effort to improve performance and efficiency of the vehicles, specifications, diagrams, illustrations and part numbers can change without notice. User manuals, guides and specifications for your ktm 200 duke eu motorcycle. Checking the rear hub rubber dampers. View online or download 6 manuals for ktm 200 duke eu. Elle affiche cependant un rapport qualité prix surprenant et reprend intégralement l'architecture de la 125 duke. Pour autant, elle se justifie assez peu en france, surtout depuis l'arrivée de la 390. La ktm duke 200 offre un supplément de puissance non négligeable face à la 125. View the manual for the ktm 200 duke (2013) here, for free.

View the manual for the ktm 200 duke (2013) here, for free. Are you planning to maintain and service your own ktm 200 duke (duke200)? View online or download 6 manuals for ktm 200 duke eu. Download and view your free pdf file of the ktm 125 duke, 200 duke 2012 owner manual on our comprehensive online database of motocycle owners manuals. See more of ktm duke 200 on facebook.

Bolton Motorcycles - 200 DUKE ORANGE ABS BAJ.D (EU) 2013 - FRAME
Bolton Motorcycles - 200 DUKE ORANGE ABS BAJ.D (EU) 2013 - FRAME from www.boltonmotorcycles.com
1290 super duke gt 2021. Are you planning to maintain and service your own ktm 200 duke (duke200)? The new ktm 200 duke is hitting north america as a late 2020 model, with a 199cc single engine, standard abs, crisp duke styling—and a nice price. Pour autant, elle se justifie assez peu en france, surtout depuis l'arrivée de la 390. Hi i have a 2013 ktm duke 125 the stator winding broke not sure why after having it rewired i fitted unit onto bike when i tried to start it just has a winning sound. 2011 ktm super duke owner's manual.pdf. Do you have a question about the ktm 200 duke (2013) or do you need help? Manuals and user guides for ktm 200 duke eu.

I have ktm duke 125 2013 eu cannot find wiring diagram pls help i have ktm duke 125 2013 eu cannot find wiring diagram pls help.

2011 ktm super duke owner's manual.pdf. See more of ktm duke 200 on facebook. Elle affiche cependant un rapport qualité prix surprenant et reprend intégralement l'architecture de la 125 duke. The new ktm 200 duke is hitting north america as a late 2020 model, with a 199cc single engine, standard abs, crisp duke styling—and a nice price. I have ktm duke 125 2013 eu cannot find wiring diagram pls help i have ktm duke 125 2013 eu cannot find wiring diagram pls help. Ktm 200 duke eu pdf user manuals. View the manual for the ktm 200 duke (2013) here, for free. View online or download 6 manuals for ktm 200 duke eu. Adobe acrobat document 1.5 mb. La ktm duke 200 offre un supplément de puissance non négligeable face à la 125. 1290 super duke gt 2021. The ktm spares are subjected to the stringent quality control standards to ensure longer life of the in a continual effort to improve performance and efficiency of the vehicles, specifications, diagrams, illustrations and part numbers can change without notice. Need the wiring diagram for a lance havana classic 200i 2018 scooter due to the continuous running of my fuel pump.

Iklan Atas Artikel

Iklan Tengah Artikel 1

Iklan Tengah Artikel 2

Iklan Bawah Artikel