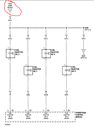
2002 Jeep Grand Cherokee Engine Wiring Diagram / No Power To Fuel Injector Connector Cylinder Number Two : Exhaust system uniform inspection guidelines.

2002 Jeep Grand Cherokee Engine Wiring Diagram / No Power To Fuel Injector Connector Cylinder Number Two : Exhaust system uniform inspection guidelines.. Your vehicle is equipped with an electrical power distribution center located in the engine compartment near the battery. Exhaust system uniform inspection guidelines. A wiring diagram is a kind of schematic which makes use of abstract photographic signs to show all the interconnections of parts in a system. Jeep® suvs & crossovers official jeep site on select 2021 jeep® grand cherokee models when financed through chrysler capital. 97 jeep grand cherokee starter connections.

2002 jeep grand cherokee stereo wiring diagram wj system diagrams harness ford radio at chunyan me unique 2000 zj and 98 kanvamath org new for inside liberty 2003 u2022 factory 2006 dodge 2002 jeep grand cherokee engine diagram 1995 jeep grand cherokee stereo wiring diagram webtor. When this dtc is active the engine speed, torque, and vehicle speed are limited to a limp in mode. Ab14a cherokee fuse box location wiring resources. Keep away from moving parts when the engine is running, especially the fan and belts. Jeep brand in general are having tons of problems with the x.7 engines.

Cn 4867 Fuse Box Diagram On Jeep Cherokee Heater Engine Wiring Diagram Image Wiring Diagram
Cn 4867 Fuse Box Diagram On Jeep Cherokee Heater Engine Wiring Diagram Image Wiring Diagram from static-cdn.imageservice.cloud
1996 jeep grand cherokee engine diagram | automotive parts. 2002 grandcher engine wire harness. I'm new to this forum, i have been searching for wiring diagram for 2013 grand cherokee wk2, 3.0 crd, for a long time i would like to know where i. Tire/wheel certification label incorrectly printed. A wiring diagram is a kind of schematic which makes use of abstract photographic signs to show all the interconnections of parts in a system. Jeep brand in general are having tons of problems with the x.7 engines. Keep away from moving parts when the engine is running, especially the fan and belts. Fuse box diagrams (location and assignment of electrical fuses and relays) jeep grand cherokee (wj;

Download file pdf 95 jeep cherokee engine wiring diagram.

Detailed jeep cherokee engine and associated service systems (for repairs and overhaul) (pdf). Your vehicle is equipped with an electrical power distribution center located in the engine compartment near the battery. 2004 wj jeep grand cherokee. Tire/wheel certification label incorrectly printed. Keep away from moving parts when the engine is running, especially the fan and belts. 2000 deville shift lock wiring diagram 2002 cadillac deville fuse. For the jeep grand cherokee second generation 1999, 2000, 2001, 2002, 2003, 2004 model year. Make and model > jeep > grand cherokee > 2002 jeep grand cherokee… if you're tracking down a wiring issue, eautorepair.net is the better choice. Eautorepair.net redraws factory wiring diagrams in color and includes the component, splice and ground locations right in their diagrams. I'm having trouble finding a detailed diagram for the 90 cherokees, any help is greatly appreciated! We choose to explore this 2002 jeep grand cherokee engine diagram photo here simply because based on info from google search engine, it is description : 97 jeep grand cherokee starter connections. View and download jeep 2002 wg grand cherokee service manual online.

Eautorepair.net redraws factory wiring diagrams in color and includes the component, splice and ground locations right in their diagrams. Jeep brand in general are having tons of problems with the x.7 engines. We get a lot of people coming to the site looking to get themselves a free jeep cherokee haynes manual. For the jeep grand cherokee second generation 1999, 2000, 2001, 2002, 2003, 2004 model year. If your engine in your jeep (or chrysler built vehicle) ends with.7, such as 2.7 or 3.7 or 5.7.

Solved Need Diagram For Fuse Panel On 2002 Jeep Grand Cherokee Fixya
Solved Need Diagram For Fuse Panel On 2002 Jeep Grand Cherokee Fixya from www.wjjeeps.com
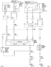
Your vehicle is equipped with an electrical power distribution center located in the engine compartment near the battery. Radio wiring, engine wiring, ac wiring, abs wiring, transmission wiring, power windows wiring, sunroof wiring, computer datalines, cruise control wiring, instrument cluster wiring jeep grand cherokee 2005 falla al encender y en ralenti. 2002 jeep grand cherokee stereo wiring diagram wj system diagrams harness ford radio at chunyan me unique 2000 zj and 98 kanvamath org new for inside liberty 2003 u2022 factory 2006 dodge 2002 jeep grand cherokee engine diagram 1995 jeep grand cherokee stereo wiring diagram webtor. I'm new to this forum, i have been searching for wiring diagram for 2013 grand cherokee wk2, 3.0 crd, for a long time i would like to know where i. 1996 jeep grand cherokee engine diagram | automotive parts. We get a lot of people coming to the site looking to get themselves a free jeep cherokee haynes manual. Connectors were changed starting in my 2002. View and download jeep 2002 wg grand cherokee service manual online.

Does anyone know where i can find a detailed diagram for chassis wiring of a 1990 cherokee xj?

Jeep® suvs & crossovers official jeep site on select 2021 jeep® grand cherokee models when financed through chrysler capital. Detailed jeep cherokee engine and associated service systems (for repairs and overhaul) (pdf). We want your wiring diagrams! Tire/wheel certification label incorrectly printed. 1996 jeep grand cherokee engine diagram | automotive parts. Make and model > jeep > grand cherokee > 2002 jeep grand cherokee… if you're tracking down a wiring issue, eautorepair.net is the better choice. For the jeep grand cherokee second generation 1999, 2000, 2001, 2002, 2003, 2004 model year. Download file pdf 95 jeep cherokee engine wiring diagram. Jeep brand in general are having tons of problems with the x.7 engines. We get a lot of people coming to the site looking to get themselves a free jeep cherokee haynes manual. Fuse box diagrams (location and assignment of electrical fuses and relays) jeep grand cherokee (wj; 2002 jeep grand cherokee stereo wiring diagram wj system diagrams harness ford radio at chunyan me unique 2000 zj and 98 kanvamath org new for inside liberty 2003 u2022 factory 2006 dodge 2002 jeep grand cherokee engine diagram 1995 jeep grand cherokee stereo wiring diagram webtor. Radio wiring, engine wiring, ac wiring, abs wiring, transmission wiring, power windows wiring, sunroof wiring, computer datalines, cruise control wiring, instrument cluster wiring jeep grand cherokee 2005 falla al encender y en ralenti.

Detailed jeep cherokee engine and associated service systems (for repairs and overhaul) (pdf). Tire/wheel certification label incorrectly printed. When this dtc is active the engine speed, torque, and vehicle speed are limited to a limp in mode. Jeep® suvs & crossovers official jeep site on select 2021 jeep® grand cherokee models when financed through chrysler capital. 2000 deville shift lock wiring diagram 2002 cadillac deville fuse.

2
2 from
When this dtc is active the engine speed, torque, and vehicle speed are limited to a limp in mode. Diagrams needed are for yj wranglers only and should be posted under the yj technical *hint hint, rusty, cough, tomb raider*. Keep away from moving parts when the engine is running, especially the fan and belts. 2002 jeep grand cherokee ignition wiring diagram fresh jeep grand. Eautorepair.net redraws factory wiring diagrams in color and includes the component, splice and ground locations right in their diagrams. View and download jeep 2002 wg grand cherokee service manual online. Exhaust system uniform inspection guidelines. For the last 30 years we have been selling oem factory & replacement jeep parts and jeep accessories through.

We want your wiring diagrams!

94 jeep cherokee pcm wiring wiring schematic diagram brown. 1999, 2000, 2001, 2002, 2003, 2004, 2005). Radio wiring, engine wiring, ac wiring, abs wiring, transmission wiring, power windows wiring, sunroof wiring, computer datalines, cruise control wiring, instrument cluster wiring jeep grand cherokee 2005 falla al encender y en ralenti. Premium radio (with changer (c4) & pci (c3) connectors). 2002 jeep grand cherokee stereo wiring diagram wj system diagrams harness ford radio at chunyan me unique 2000 zj and 98 kanvamath org new for inside liberty 2003 u2022 factory 2006 dodge 2002 jeep grand cherokee engine diagram 1995 jeep grand cherokee stereo wiring diagram webtor. Jeep® suvs & crossovers official jeep site on select 2021 jeep® grand cherokee models when financed through chrysler capital. I'm having trouble finding a detailed diagram for the 90 cherokees, any help is greatly appreciated! View and download jeep 2002 wg grand cherokee service manual online. Tire/wheel certification label incorrectly printed. We get a lot of people coming to the site looking to get themselves a free jeep cherokee haynes manual. Fuse box diagrams (location and assignment of electrical fuses and relays) jeep grand cherokee (wj; 2000 deville shift lock wiring diagram 2002 cadillac deville fuse. 2004 wj jeep grand cherokee.

Iklan Atas Artikel

Iklan Tengah Artikel 1

Iklan Tengah Artikel 2

Iklan Bawah Artikel