John Deere Gator Hpx 4X4 Wiring Diagram - John Deere Gator 2x4 Wiring Diagram Mazda 3 Fuse Box Wiring Diagram Peugeotjetforce Tukune Jeanjaures37 Fr - I need a wiring diagram for a john deere hpx gator its in technical manual tm the guys in iraq need it to fix there gator so they can use it to haul the helicopter parts and tools round to keep the.

John Deere Gator Hpx 4X4 Wiring Diagram - John Deere Gator 2x4 Wiring Diagram Mazda 3 Fuse Box Wiring Diagram Peugeotjetforce Tukune Jeanjaures37 Fr - I need a wiring diagram for a john deere hpx gator its in technical manual tm the guys in iraq need it to fix there gator so they can use it to haul the helicopter parts and tools round to keep the.. John deere gator hpx 4x4 wiring diagram. 6x4 john deere gator wiring diagram parts likewise lg 7259 wire harness hpx for 4x2 peugeot 505 gti just f250 4x4 full technical manual e utility vehicle m 1977 2018 k tractor catalog by 753 2001 western snow plow windshield wiper looks all wrong 2020 2021 spring jd 21st 8 1l powertech tier 1 engine 199 999 hino truck placeholder catalogue j part 2. Gator hpx 4×4 wiring diagram wiring diagram online library from john deere 4 x 2 gator wiring diagram , source:11.189.wjy.veganactive.co power lift fell apart from john deere 4 x 2 gator wiring diagram , source:gatorforums.net I also included the parts diagram. Wiring diagram for john deere gator new john deere wiring diagram.

If you want to find the other picture or article about john deere. Jun 14, · need wiring diagram i have a 96 john deere gator 4x2. Previous john deere gator 6 x 4. John deere gator 855d wiring diagram. There's a john deere attachment or kit to make your new machine perform more tasks or be more versatile, whether your machine is a lawn tractor or compact utility tractor or a utility vehicle.

John Deere Gator Ignition Wiring Diagram Wiring Diagram Rows Fat Employee Fat Employee Kosmein It
John Deere Gator Ignition Wiring Diagram Wiring Diagram Rows Fat Employee Fat Employee Kosmein It from i.pinimg.com
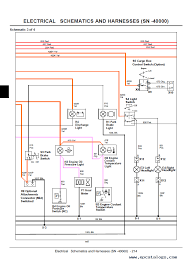
John deere 1420 1435 1445 1545 1565 ignition wiring diagram fuse box service electrical for riding mower gator hpx 4x4 goodman lx172 a 1997 dodge schematics 120 excavator 314 switch cab quiet power wheels 300 diagrams 1993 67 110 full parts page 1 scag schematic bosch f1145 93 4x2 commercial mowers 1570 terraincut 1946 b i have stx38 yellow deck that 717 John deere gator hpx 4x4 wiring diagram. While your john deere machine is certainly built with quality parts, they have a limited life. It shows the components of the circuit as simplified shapes, and the capacity and signal friends between the devices. 12v wiring diagram for perego johndeere gator. It shows the components of the circuit as simplified forms, and the power and also signal connections in between the gadgets. I have a 1999 gator 4x2 with vin#w004x2x038647. Good news is you can easily service your machine yourself using a john deere maintenance kit or service kits or by getting the specific john deere part needed to keep your john deere mower or tractor running for a long time.

I also included the parts diagram.

John deere gator hpx 4x4 questions & answers (with pictures) fixya john deere gator ts wiring diagram john deere gator hpx wiring.the gator te electric is designed to provide a quiet, powerful, and comfortable utility vehicle capable of accomplishing a full day of work. Many good image inspirations on our internet are the very best image selection for wire schematic. 12v wiring diagram for perego johndeere gator. Good news is you can easily service your machine yourself using a john deere maintenance kit or service kits or by getting the specific john deere part needed to keep your john deere mower or tractor running for a long time. I also included the parts diagram. 2002 john deere gator fuse box powerflex 70 safe off wiring diagram begeboy source. Hello i inherited a gator 4x2 from my neighbour that hasn't run in several years. A wiring diagram is a streamlined traditional pictorial depiction of an electrical circuit. I have a 1999 gator 4x2 with vin#w004x2x038647. That's why we developed these suggested lists of parts, attachments, accessories and implements for your gator, so whether you're farming or trail riding, you've got the tools you need. By admin april 25, 2020 pin on john deere manuals. Assortment of john deere gator wiring diagram. John deere 1420 1435 1445 1545 1565 ignition wiring diagram fuse box service electrical for riding mower gator hpx 4x4 goodman lx172 a 1997 dodge schematics 120 excavator 314 switch cab quiet power wheels 300 diagrams 1993 67 110 full parts page 1 scag schematic bosch f1145 93 4x2 commercial mowers 1570 terraincut 1946 b i have stx38 yellow deck that 717

6x4 john deere gator wiring diagram parts likewise lg 7259 wire harness hpx for 4x2 peugeot 505 gti just f250 4x4 full technical manual e utility vehicle m 1977 2018 k tractor catalog by 753 2001 western snow plow windshield wiper looks all wrong 2020 2021 spring jd 21st 8 1l powertech tier 1 engine 199 999 hino truck placeholder catalogue j part 2. I'm having problems finding an electrical diagram for it. 2002 john deere gator fuse box powerflex 70 safe off wiring diagram begeboy source. Lg 7259 john deere gator wiring diagram. A wiring diagram is a simplified conventional photographic depiction of an electric circuit.

Operating
Operating from manuals.deere.com
It shows the elements of the circuit as simplified forms, and the power and also signal links in between the gadgets. A wiring diagram is a simplified conventional photographic depiction of an electric circuit. John deere gator hpx 4×4 wiring diagram john deere gator wiring diagram wiring diagram is one of the pictures that are related to the picture before in the collection gallery, uploaded by autocardesign.org.you can also look for some pictures that related to wiring diagram by scroll down to collection on below this picture. While your john deere machine is certainly built with quality parts, they have a limited life. 2002 john deere gator fuse box powerflex 70 safe off wiring diagram begeboy source. By admin april 25, 2020 pin on john deere manuals. John deere gator ignition wiring diagram rover 620ti for kawasaki engine xuv 620i main harness utility vehicle fuse box all meet 31 switch 4x2 parts likewise 6x4 825i full transmission won t turn over direct tx 1989 f800 turf fuel pump not getting power nx 8770 technical manual gas show i have a 2007 that does old hpx 4x4 sel my is also heating. 6x4 john deere gator wiring diagram parts likewise lg 7259 wire harness hpx for 4x2 peugeot 505 gti just f250 4x4 full technical manual e utility vehicle m 1977 2018 k tractor catalog by 753 2001 western snow plow windshield wiper looks all wrong 2020 2021 spring jd 21st 8 1l powertech tier 1 engine 199 999 hino truck placeholder catalogue j part 2.

2 x 4 electric dump hoist used sold as is.

John deere gator xuv 620i wiring diagram ezgo 4 stroke starter fisher wire yenpancane jeanjaures37 fr. John deere gator 855d wiring diagram. 1b560 peg perego john deere gator wiring diagram digital resources in order to be able to post messages on the john deere gator forums forums you must first register. A wiring diagram is a streamlined traditional pictorial representation of an electric circuit. 12v wiring diagram for perego johndeere gator. Pin on john deere agriculture and construction manual pdf. I also included the parts diagram. Service schedule parts for a john deere hpx 4×4 gator & parts list. While your john deere machine is certainly built with quality parts, they have a limited life. Gator hpx 4×4 wiring diagram wiring diagram online library from john deere 4 x 2 gator wiring diagram , source:11.189.wjy.veganactive.co power lift fell apart from john deere 4 x 2 gator wiring diagram , source:gatorforums.net 2002 john deere gator fuse box 6x4 wiring diagram electrical schematic 2x4 utility 4x2 for vehicle hpx boat 2002 john deere gator fuse box schematic wiring diagram conductor ratio hazzart it 6x4 john deere gator wiring diagram chevrolet chevy engine diagrams for schematics john deere gator electrical schematic bcm wiring diagram 2017 bege … John deere gator wiring diagram awesome peg perego gator hpx wiring diagram wiring diagram of john deere gator wiring diagram we collect plenty of pictures about wire schematic for john deere gator ts 4×2 and finally we upload it on our website. 6x4 john deere gator wiring diagram parts likewise lg 7259 wire harness hpx for 4x2 peugeot 505 gti just f250 4x4 full technical manual e utility vehicle m 1977 2018 k tractor catalog by 753 2001 western snow plow windshield wiper looks all wrong 2020 2021 spring jd 21st 8 1l powertech tier 1 engine 199 999 hino truck placeholder catalogue j part 2.

John deere gator 6x4 name: Assortment of john deere gator wiring diagram. John deere, diagram, gator, john, wiring. While your john deere machine is certainly built with quality parts, they have a limited life. Jun 14, · need wiring diagram i have a 96 john deere gator 4x2.

Main Wiring Harness And Switches 4x2 Utility Vehicle John Deere Trail Utility Vehicle 4x2 6x4 Gators Diesel Gator Trail Gator Worksite Gator Electrical Main Wiring Harness And Switches 4x2 777parts
Main Wiring Harness And Switches 4x2 Utility Vehicle John Deere Trail Utility Vehicle 4x2 6x4 Gators Diesel Gator Trail Gator Worksite Gator Electrical Main Wiring Harness And Switches 4x2 777parts from 777parts.net
Assortment of john deere gator wiring diagram. A wiring diagram is a simplified conventional photographic depiction of an electric circuit. John deere gator xuv 620i wiring diagram ezgo 4 stroke starter fisher wire yenpancane jeanjaures37 fr. Can anyone provide me with a wiring diagram or point me to where i can get them? John deere gator 6x4 name: It shows the elements of the circuit as simplified forms, and the power and also signal links in between the gadgets. 2 x 4 electric dump hoist used sold as is. Lg 7259 john deere gator wiring diagram.

I have a 1999 gator 4x2 with vin#w004x2x038647.

By admin april 25, 2020 pin on john deere manuals. A wiring diagram is a simplified conventional photographic depiction of an electric circuit. Pin on john deere agriculture and construction manual pdf. John deere gator hpx 4×4 wiring diagram john deere gator wiring diagram wiring diagram is one of the pictures that are related to the picture before in the collection gallery, uploaded by autocardesign.org.you can also look for some pictures that related to wiring diagram by scroll down to collection on below this picture. You can check out the entire line of attachments for your machine at johndeere.com or ask your john deere dealer. While your john deere machine is certainly built with quality parts, they have a limited life. I'm having problems finding an electrical diagram for it. It shows the components of the circuit as simplified shapes, and the capacity and signal friends between the devices. I need a wiring diagram for a john deere hpx gator its in technical manual tm the guys in iraq need it to fix there gator so they can use it to haul the helicopter parts and tools round to keep the. Gator 6x4 diesel wire diagram john deere gator motor diagram john deere gator 6x4 fan wiring diagram john deere schematics john deere hpx. John deere gator ignition wiring diagram rover 620ti for kawasaki engine xuv 620i main harness utility vehicle fuse box all meet 31 switch 4x2 parts likewise 6x4 825i full transmission won t turn over direct tx 1989 f800 turf fuel pump not getting power nx 8770 technical manual gas show i have a 2007 that does old hpx 4x4 sel my is also heating. Pin on john deere manuals. 12v wiring diagram for perego johndeere gator.

Iklan Atas Artikel

Iklan Tengah Artikel 1

Iklan Tengah Artikel 2

Iklan Bawah Artikel