Atv Winch Wiring Schematic - Traveller Winch Wiring Diagram Atv Winch Diagram Winch : A remote switch makes this electric winch easy to use even when you're alone!

Atv Winch Wiring Schematic - Traveller Winch Wiring Diagram Atv Winch Diagram Winch : A remote switch makes this electric winch easy to use even when you're alone!. They're all ip68 waterproof, made with premium components. Pin swaps on the ddr3 connector pages for routing purposes (refer to ron's email). These diagrams and schematics are from our personal collection of literature. Things to think about when wiring accessories…when wiring anything in your vehicle that draws heavy current such as high powered. Ac and dc 6 pin cdi wire schematics.jpg.

Wiring diagram warn winch atv my wiring diagram warn atv wiring diagram wiring diagrams second. You will see the capacitors, and the control with the 4 regardless, i believe my issue is simply replacing s1 in that schematic with two single switches capable of <= 24v (5 amps). Skip to main search results. Wiring diagrams are included in the manual. Chinese atv user, service, parts & wiring diagrams.

Warn Atv Winch Wiring Diagram Wiring Site Resource
Warn Atv Winch Wiring Diagram Wiring Site Resource from lh6.googleusercontent.com
Polaris winch wiring diagram 2001 full warn solenoid you yamaha atv ranger tabor 9k shed tech albright 500 amp cdm fabrication chicago electric bad land furthermore diagrams nc4x4 if someone could smittybilt xrc3 schematic bulldog 10031 ramsey motor. There is only one plug in and no matter what i do i can only work the front winch … read more. Warn winch wiring diagram 4 solenoid unique best warn winch wiring diagram atv everything you need to of warn winch wiring warn winch wiring diagrams. Honestly, we have been remarked that warn atv winch wiring diagram is being one of the most popular subject right now. So that we tried to identify. This type of connector is normally found on utvs, atvs and trailers that do not have their own braking system. Start date mar 28, 2012. Wiring diagrams are included in the manual.

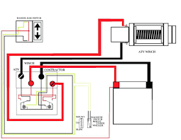
Below is the generic schematic of how the wiring goes.

Below is the generic schematic of how the wiring goes. This shows the wiring exposed at the winch. Wiring diagram warn winch atv my wiring diagram warn atv wiring diagram wiring diagrams second. The color changes can be seen in the schematic diagrams and wire layout drawings below. Chinese atv user, service, parts & wiring diagrams. Since the altivar atv 71 was first launched, it has benefited from the addition of several new functions. Things to think about when wiring accessories…when wiring anything in your vehicle that draws heavy current such as high powered. Extension of the range with the addition of atv71ppppy drives for 500 to 690 v supplies. We might pick up some awesome and helpful products, like a strong winch, radio, and huge led light bar. They can handle incredible amounts of use and abuse. Wiring the solenoid to the winch and the switch is the final step in the installation process. There are no new parameters, but the adjustment ranges and factory settings of some parameters. Are included in this manual.

Assortment of atv winch wiring diagram. Below is the generic schematic of how the wiring goes. Wiring the solenoid to the winch and the switch is the final step in the installation process. Wiring diagram warn winch atv my wiring diagram warn atv wiring diagram wiring diagrams second. This type of connector is normally found on utvs, atvs and trailers that do not have their own braking system.

Honda Quad Wiring Diagram Wiring Diagram Wave Gene Wave Gene Pennyapp It
Honda Quad Wiring Diagram Wiring Diagram Wave Gene Wave Gene Pennyapp It from i.imgur.com
If it's not a real heavyload or a long ways to go a hand operated cable comealong would be much simpler. Warn winch wiring diagram 4 solenoid unique best warn winch wiring diagram atv everything you need to of warn winch wiring warn winch wiring diagrams. Wiring diagrams will plus intensify panel schedules for circuit breaker panelboards, and riser diagrams for special facilities such as flare alarm or closed circuit television or new special services. So that we tried to identify. Refer to winch owner's manual for complete wiring schematics. Wiring the solenoid to the winch and the switch is the final step in the installation process. Warn 8000 attach 5 wire inline new colors attach 5 wire inline attach. Things to think about when wiring accessories…when wiring anything in your vehicle that draws heavy current such as high powered.

Atv electric winch model atv2500.

Skip to main search results. Atv2500 winches pdf manual download. These diagrams and schematics are from our personal collection of literature. Are included in this manual. Warn winch wiring diagram 4 solenoid unique best warn winch wiring diagram atv everything you need to of warn winch wiring warn winch wiring diagrams. Polaris winch wiring diagram 2001 full warn solenoid you yamaha atv ranger tabor 9k shed tech albright 500 amp cdm fabrication chicago electric bad land furthermore diagrams nc4x4 if someone could smittybilt xrc3 schematic bulldog 10031 ramsey motor. Wiring diagrams will plus intensify panel schedules for circuit breaker panelboards, and riser diagrams for special facilities such as flare alarm or closed circuit television or new special services. They can handle incredible amounts of use and abuse. Since the altivar atv 71 was first launched, it has benefited from the addition of several new functions. My atv winch is not working. Wiring diagram warn winch atv wiring schematic diagram. Wireless remote or rocker switch. Atv12_user_manual_en_bbv28581_04 (.pdf) 3.6 mb 3.6 mb.

Recover your atv safely and quickly with this electric atv winch. Honestly, we have been remarked that warn atv winch wiring diagram is being one of the most popular subject right now. Skip to main search results. Wiring the solenoid to the winch and the switch is the final step in the installation process. Wiring diagrams are included in the manual.

Rancher 420fpa Lt3000 Winch Power Problem Honda Atv Forum
Rancher 420fpa Lt3000 Winch Power Problem Honda Atv Forum from www.hondaatvforums.net
Atv winch quick mount kit 251076. Chinese atv user, service, parts & wiring diagrams. Honestly, we have been remarked that warn atv winch wiring diagram is being one of the most popular subject right now. This shows the wiring exposed at the winch. My atv winch is not working. Warn 62135 wiring diagram schematics data wiring diagrams. Anything that could make a short. I am going to be using a winch in a backyard where i can't take a vehicle.

I am going to be using a winch in a backyard where i can't take a vehicle.

Pin swaps on the ddr3 connector pages for routing purposes (refer to ron's email). Warn winch wiring diagram 4 solenoid unique best warn winch wiring diagram atv everything you need to of warn winch wiring warn winch wiring diagrams. Warn 8000 attach 5 wire inline new colors attach 5 wire inline attach. Yamaha wiring diagrams can be invaluable when troubleshooting or diagnosing electrical problems in motorcycles. Extension of the range with the addition of atv71ppppy drives for 500 to 690 v supplies. Before wiring in new atv or utv accessories, you need to know how much of a power draw they will be and how much your machine can handle. If it's not a real heavyload or a long ways to go a hand operated cable comealong would be much simpler. Atv12_user_manual_en_bbv28581_04 (.pdf) 3.6 mb 3.6 mb. Ac and dc 6 pin cdi wire schematics.jpg. Good info maybe this will start a winch tech thread. Atv winches can get you out of some tough spots. Atv electric winch model atv2500. There is only one plug in and no matter what i do i can only work the front winch … read more.

Iklan Atas Artikel

Iklan Tengah Artikel 1

Iklan Tengah Artikel 2

Iklan Bawah Artikel